
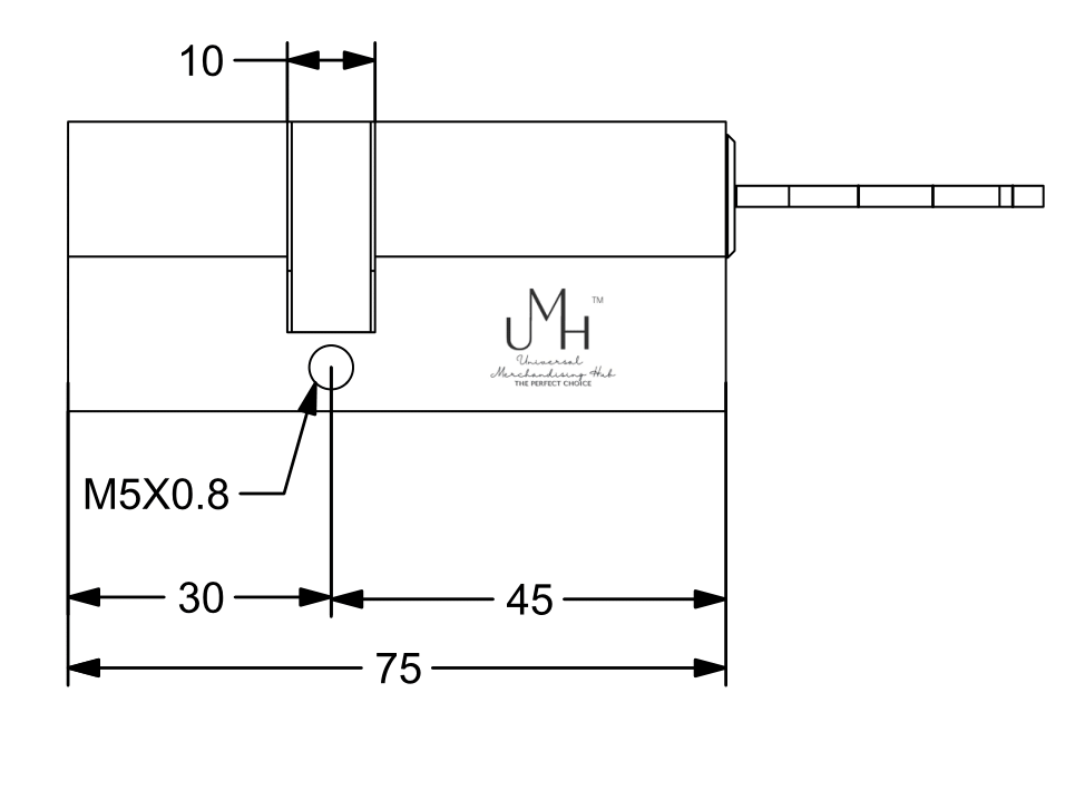
EURO PROFILE KEY+BLANK LOCK CYLINDER
* All Sizes in MM
* Brass Euro Prole KEY+BLANK (KB)
* Heavy Brass Computerized Ultra key 3 Nos.
* Six/Seven Pin
* More Key designs Available
* Finish - Brushed Satin Nickel-SN (Also Av.Gold(G)/
Black(BL)/Nickel Chrome(NiCr) ) One CSK Philip
Head Screw M50.8






